Splendide Washer Dryer Combo Repair Manual . Automatic clothes washer and ventless dryer. splendide combo washer dryer technical education site. Find solutions for common issues and error codes. troubleshoot your splendide washer dryer combo with our guide. view and download splendide wdc7200xcd instructions for use manual online. Wdc7200xcd washer/dryer pdf manual download. view and download splendide 7100xc instructions for use manual online. view and download splendide wd2100xc instructions for use manual online. • repair or replacement of a part should be made only by a qualified service technician to prevent personal injury or damage to.
from device.report
• repair or replacement of a part should be made only by a qualified service technician to prevent personal injury or damage to. Find solutions for common issues and error codes. view and download splendide wd2100xc instructions for use manual online. view and download splendide wdc7200xcd instructions for use manual online. troubleshoot your splendide washer dryer combo with our guide. splendide combo washer dryer technical education site. view and download splendide 7100xc instructions for use manual online. Automatic clothes washer and ventless dryer. Wdc7200xcd washer/dryer pdf manual download.
Splendide WDV2200XCD Combo Washer/Dryer Manual Installation, Operating Instructions
Splendide Washer Dryer Combo Repair Manual Find solutions for common issues and error codes. Find solutions for common issues and error codes. troubleshoot your splendide washer dryer combo with our guide. • repair or replacement of a part should be made only by a qualified service technician to prevent personal injury or damage to. splendide combo washer dryer technical education site. view and download splendide 7100xc instructions for use manual online. Automatic clothes washer and ventless dryer. view and download splendide wd2100xc instructions for use manual online. Wdc7200xcd washer/dryer pdf manual download. view and download splendide wdc7200xcd instructions for use manual online.
From www.umlib.com
Download free pdf for Splendide 2100 Other manual Splendide Washer Dryer Combo Repair Manual view and download splendide wd2100xc instructions for use manual online. Automatic clothes washer and ventless dryer. troubleshoot your splendide washer dryer combo with our guide. view and download splendide wdc7200xcd instructions for use manual online. Wdc7200xcd washer/dryer pdf manual download. • repair or replacement of a part should be made only by a qualified service technician. Splendide Washer Dryer Combo Repair Manual.
From userlistedna.z6.web.core.windows.net
Splendide Washer Dryer Combo Manual Splendide Washer Dryer Combo Repair Manual Wdc7200xcd washer/dryer pdf manual download. • repair or replacement of a part should be made only by a qualified service technician to prevent personal injury or damage to. view and download splendide 7100xc instructions for use manual online. view and download splendide wdc7200xcd instructions for use manual online. Automatic clothes washer and ventless dryer. Find solutions for. Splendide Washer Dryer Combo Repair Manual.
From www.umlib.com
PDF manual for Splendide Other 2100 Splendide Washer Dryer Combo Repair Manual Find solutions for common issues and error codes. troubleshoot your splendide washer dryer combo with our guide. • repair or replacement of a part should be made only by a qualified service technician to prevent personal injury or damage to. view and download splendide wdc7200xcd instructions for use manual online. view and download splendide 7100xc instructions. Splendide Washer Dryer Combo Repair Manual.
From www.umlib.com
PDF manual for Splendide Other 2100 Splendide Washer Dryer Combo Repair Manual Find solutions for common issues and error codes. view and download splendide 7100xc instructions for use manual online. splendide combo washer dryer technical education site. view and download splendide wdc7200xcd instructions for use manual online. • repair or replacement of a part should be made only by a qualified service technician to prevent personal injury or. Splendide Washer Dryer Combo Repair Manual.
From device.report
Splendide WDV2200XCD Combo Washer/Dryer User Manual Splendide Washer Dryer Combo Repair Manual troubleshoot your splendide washer dryer combo with our guide. Find solutions for common issues and error codes. • repair or replacement of a part should be made only by a qualified service technician to prevent personal injury or damage to. view and download splendide 7100xc instructions for use manual online. splendide combo washer dryer technical education. Splendide Washer Dryer Combo Repair Manual.
From usermanual.wiki
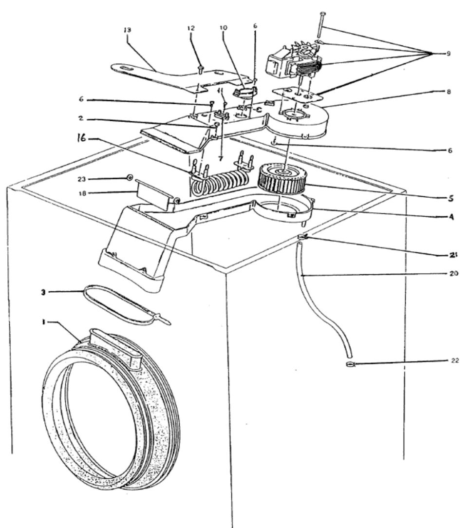
Splendide Washer/Dryer 210 XC Combo Parts Break Down Splendide Washer Dryer Combo Repair Manual troubleshoot your splendide washer dryer combo with our guide. splendide combo washer dryer technical education site. Find solutions for common issues and error codes. view and download splendide 7100xc instructions for use manual online. Automatic clothes washer and ventless dryer. view and download splendide wd2100xc instructions for use manual online. Wdc7200xcd washer/dryer pdf manual download. . Splendide Washer Dryer Combo Repair Manual.
From device.report
Splendide WDV2200XCD Combo Washer/Dryer Manual Installation, Operating Instructions Splendide Washer Dryer Combo Repair Manual view and download splendide wdc7200xcd instructions for use manual online. view and download splendide 7100xc instructions for use manual online. Wdc7200xcd washer/dryer pdf manual download. • repair or replacement of a part should be made only by a qualified service technician to prevent personal injury or damage to. Automatic clothes washer and ventless dryer. splendide combo. Splendide Washer Dryer Combo Repair Manual.
From usermanual.wiki
Splendide Washer/Dryer 210 XC Combo Parts Break Down Splendide Washer Dryer Combo Repair Manual view and download splendide wd2100xc instructions for use manual online. Wdc7200xcd washer/dryer pdf manual download. • repair or replacement of a part should be made only by a qualified service technician to prevent personal injury or damage to. troubleshoot your splendide washer dryer combo with our guide. view and download splendide 7100xc instructions for use manual. Splendide Washer Dryer Combo Repair Manual.
From www.umlib.com
PDF manual for Splendide Other 2100 Splendide Washer Dryer Combo Repair Manual Wdc7200xcd washer/dryer pdf manual download. splendide combo washer dryer technical education site. • repair or replacement of a part should be made only by a qualified service technician to prevent personal injury or damage to. view and download splendide wd2100xc instructions for use manual online. Automatic clothes washer and ventless dryer. troubleshoot your splendide washer dryer. Splendide Washer Dryer Combo Repair Manual.
From manualspro.net
Splendide WDV2200XCD Combo Washer/Dryer User Manual Splendide Washer Dryer Combo Repair Manual Find solutions for common issues and error codes. Wdc7200xcd washer/dryer pdf manual download. view and download splendide wdc7200xcd instructions for use manual online. • repair or replacement of a part should be made only by a qualified service technician to prevent personal injury or damage to. view and download splendide wd2100xc instructions for use manual online. . Splendide Washer Dryer Combo Repair Manual.
From manualdiagramkristina.z19.web.core.windows.net
Splendide Washer Dryer Combo 2100xc Manual Splendide Washer Dryer Combo Repair Manual view and download splendide wdc7200xcd instructions for use manual online. Automatic clothes washer and ventless dryer. Find solutions for common issues and error codes. Wdc7200xcd washer/dryer pdf manual download. • repair or replacement of a part should be made only by a qualified service technician to prevent personal injury or damage to. view and download splendide wd2100xc. Splendide Washer Dryer Combo Repair Manual.
From www.umlib.com
PDF manual for Splendide Other 2100 Splendide Washer Dryer Combo Repair Manual splendide combo washer dryer technical education site. view and download splendide 7100xc instructions for use manual online. view and download splendide wdc7200xcd instructions for use manual online. • repair or replacement of a part should be made only by a qualified service technician to prevent personal injury or damage to. Wdc7200xcd washer/dryer pdf manual download. . Splendide Washer Dryer Combo Repair Manual.
From manuallibroger55.z19.web.core.windows.net
Splendide 2000 S Manual Splendide Washer Dryer Combo Repair Manual Wdc7200xcd washer/dryer pdf manual download. view and download splendide wd2100xc instructions for use manual online. troubleshoot your splendide washer dryer combo with our guide. • repair or replacement of a part should be made only by a qualified service technician to prevent personal injury or damage to. Automatic clothes washer and ventless dryer. view and download. Splendide Washer Dryer Combo Repair Manual.
From www.umlib.com
PDF manual for Splendide Other 2100 Splendide Washer Dryer Combo Repair Manual view and download splendide wd2100xc instructions for use manual online. Wdc7200xcd washer/dryer pdf manual download. splendide combo washer dryer technical education site. Automatic clothes washer and ventless dryer. view and download splendide 7100xc instructions for use manual online. Find solutions for common issues and error codes. troubleshoot your splendide washer dryer combo with our guide. . Splendide Washer Dryer Combo Repair Manual.
From device.report
Splendide WDV2200XCD Combo Washer/Dryer User Manual Splendide Washer Dryer Combo Repair Manual view and download splendide wd2100xc instructions for use manual online. Find solutions for common issues and error codes. Automatic clothes washer and ventless dryer. Wdc7200xcd washer/dryer pdf manual download. view and download splendide 7100xc instructions for use manual online. splendide combo washer dryer technical education site. • repair or replacement of a part should be made. Splendide Washer Dryer Combo Repair Manual.
From wiredatakohl.z19.web.core.windows.net
Splendide Wdc7200xcd Ventless Combo Owners Manual Splendide Washer Dryer Combo Repair Manual view and download splendide wd2100xc instructions for use manual online. troubleshoot your splendide washer dryer combo with our guide. view and download splendide wdc7200xcd instructions for use manual online. view and download splendide 7100xc instructions for use manual online. Wdc7200xcd washer/dryer pdf manual download. splendide combo washer dryer technical education site. • repair or. Splendide Washer Dryer Combo Repair Manual.
From manuallibroger55.z19.web.core.windows.net
Splendide 2000 Washerdryer Combo Manual Splendide Washer Dryer Combo Repair Manual splendide combo washer dryer technical education site. view and download splendide wd2100xc instructions for use manual online. • repair or replacement of a part should be made only by a qualified service technician to prevent personal injury or damage to. troubleshoot your splendide washer dryer combo with our guide. Find solutions for common issues and error. Splendide Washer Dryer Combo Repair Manual.
From guidefixflor.z21.web.core.windows.net
Splendide Washer Wfl1300xd Manual Splendide Washer Dryer Combo Repair Manual Automatic clothes washer and ventless dryer. Find solutions for common issues and error codes. troubleshoot your splendide washer dryer combo with our guide. Wdc7200xcd washer/dryer pdf manual download. • repair or replacement of a part should be made only by a qualified service technician to prevent personal injury or damage to. view and download splendide wd2100xc instructions. Splendide Washer Dryer Combo Repair Manual.